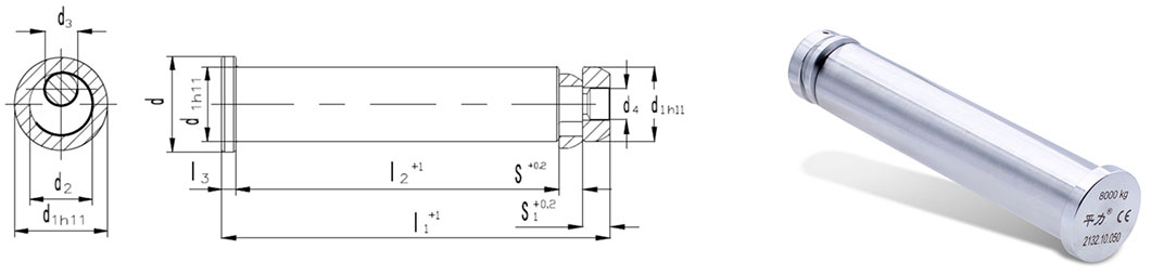
制造工藝:42CrMoA合金鋼--熱處理調質
吊模桿2133.11系列、2133.12系列、2132.10系列、2132.10.55系列、2132.11系列、B02.10系列、B02.11系列、B02.12系列、B02.30系列、B02.35系列、B02.44系列、B02.45系列、B02.40系列
產品圖示
執(zhí)行標準:EN ISO 12100:2010 FIBRO標準(2133.11),符合BMW標準、VDI 3366標準、VW標準、 CNOMO標準、GM標準、misumi標準、OMCR標準
專利號:ZL 2021 2 1291877.2
每對最大承載能力(kg)
3D下載:

熱銷產品